The Historical Text Archive: Electronic History Resources, online since 1990 Bringing you digitized history, primary and secondary sources
 
HTA Home Page | Articles | United States/20th Century | Vacuum Cleaners Before Electricity


Email to a friend
Printer friendly

Vacuum Cleaners Before Electricity



Vacuum Cleaners Before Electricity—And A Little-Known Inventor
By Mary Robinson Sive*

W.H. Hoover’s oft-told success in making electric vacuum cleaners a household necessity was of little use to the nearly 90% of American farm households without electric service as late as the mid-1930s. Yet a number of these more than five million homes owned vacuum cleaners. How could that be? Generators may have powered some, but most were operated manually. Laborsaving devices they were not, but country women were eager to keep up with the modern conveniences enjoyed by their city sisters, and so these cumbersome gadgets found a market[1]. Their existence is not widely known, nor is the role played by David T. Kenney, the holder of nine patents crucial to the growth of the vacuum cleaner industry in the United States.
    The person often credited with inventing the vacuum cleaner—he did coin the term—is the English engineer Hubert Cecil Booth (1871-1955). Booth received a patent for a device to suction dust in 1901, but his predecessors were many. At least two dozen British and American patents from the 1850s on as well as French and German ones sought to mechanize cleaning, especially of carpets. In the United States an 1858 patent for a carpet sweeper employed brushes. This was followed by inventions calling for a fan on wheels to blow dust into a container (#22,488, 1/4/59), or hand-operated bellows sucking dust into water (#29,077, 7/10/60), or a hand-cranked pulley arrangement creating suction (#91,145, 6/8/69.
    Melvin Bissell patented his carpet sweeper in 1876 (#182,346, 9/19/76); it has remained nearly unchanged. In the 1890s American inventors proposed the use of steam power for a “pneumatic sucker” suitable for either permanent installation in a large building or placement on a moveable truck (#460,935, 10/6/91) and of gasoline for a machine designed for horse-drawn truck (#634,042, 10/3/99). A wheeled “truck” to move a cleaner employing two alternating vacuum chambers from room to room was envisaged by patent #614,832 (11/29/98). And a Savannah woman, Corrine Dufour, received a patent for an “electric carpet sweeper and dust gatherer” whose motor operated a suction-fan  (#664,135, 12/18/00). 

 


Figure 1. 1869 patent for a “sweeping machine”


Figure 2. 1900 patent for an “electric sweeper”

    Booth’s 1901“Puffing Billy,” mounted on a horse-drawn cart and driven first by an oil engine, later by an electrical motor, saw its first use in February 1902. Its use at the coronation of Edward VII later that year “so impress(ed) the crowned heads of Europe that they all wanted a similar machine” (ingenious.org.uk/#10410516). Parked in the street, its hoses extending through the windows of a building. “After (Booth’s) equipment gained a Royal Warrant of Appointment in 1902, society hostesses would hold parties to watch his invention at work,” states the London Science Museum website in the legend for Booth’s smaller 1906 “Trolley-Vac” (ingenious.org.uk/#101866637), an electric model designed to be moved from room to room - not easily, though, as it weighed 100 lbs. Unlike their employers, servants felt threatened by Booth’s invention, which caused him to create advertising that presented the devices as helpers rather than usurpers of servants’ jobs. Hand-operated devices in Britain included the bellows-operated “Little Daisy” or “Baby Daisy” and “Little Giant.” A machine on wheels was used in France in 1903 (illustrated in Giedion, 587), and another type tested in Germany in 1905 (Giedion, 589).
    Booth had earlier designed engines for the Royal Navy, factories, bridges, and large wheels, of which the one in Vienna survives (Biographical Dictionary of the History of Technology; Dictionary of National Biography). In his 60s he prepared a paper on “The origin of the vacuum cleaner,” published in the Transactions of the Newcomen Society, where he states that he was involved in 23 patent infringement suits, in 19 of which he prevailed. The British Library was able to identify four cases, three of them won by his British Vacuum Cleaner Company (personal communication, March 1, 2006).


Figure 3. David T. Kenney (Plainfield, NJ, 1900 Directory)

    One of the legal issues Booth needed to resolve was with the American inventor David T. Kenney. Kenney, born in 1866, was apprenticed at age 15 to a plumber and, in 1891, began his own plumbing business in Plainfield, NJ, where the 1900 Directory described him as a “sanitary engineer” with offices at 72 Trinity Place, New York. New York City directories show him in business at this and other addresses from 1896 to 1908; after that year only his companies’ names appear. He received patents #566,771 and #613,802 in 1896 and 1898, respectively, for a “Flushometer” (to flush toilets), advertised in the 1909 Thomas’ Register by the Kenney Manufacturing Company, 36 East 22nd Street, New York. This invention is said to have made him wealthy (Plainfield Courier-News, July 16, 1956). In 1901 he assigned another water closet patent to someone else, possibly because his primary interest now lay elsewhere.
    A recent reference book (World of Invention) as well as other sources dismiss Kenney as a “New Jersey plumber” (the source also gives Booth’s first name as “Herbert”), but his work beginning in 1901 and the patents he received between 1903 and 1913 created the foundation for the American vacuum cleaner industry. When the Vacuum Cleaner Manufacturers’ Association was formed in 1919, its membership was “confined exclusively to licensees under the Kenney patents. The Kenney patents are the basic vacuum-cleaner patents …” (FTC Report, p.6). Though most vacuum cleaners by that time were electric, they still depended on the vacuum through the opening in the nozzle sealing contact with the carpet, the mechanism devised and patented by Kenney.
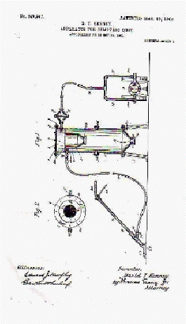
    Kenney’s 1901 application for an “Apparatus for Removing Dust” on wheels was not granted until 1907 (#847,947 (3/19/07, filed 11/29/01), but applications filed the following year did result in his first patent, for a (dry) “Separator for apparatus for removing dust” in 1903 (#739,263, 9/15/03) and for a wet separator (dust deposited in water) in 1905 (#807,283, 12/12/05). In 1902 he installed a steam engine in the basement of the Frick Building in Pittsburgh that had attached to it pipes and hoses reaching into each part of the building.
    Kenney saw Booth’s apparatus demonstrated in 1903 and purchased a unit the following year (Hoover Historical Center). Booth had applied for a US patent in 1902. Kenney’s five patent applications filed from 1904 to 1906 provided for refinements on his 1903 patent such as improved nozzles, implements suitable for uneven surfaces, an improved dry separator, and a transparent chamber


CCF07032007_00000
Figure 4. “Two-ton Vacuum Cleaner” (reprint from Steelways, courtesy
Mt. St. Mary Archives)


allowing for the observation of dust deposited in water (Patents #781,532 (1/31/05, filed 1904), #826,513 (7/17/06, filed 2/21/06), #841,984 (1/22/07, filed 5/26/05), #907,694 (12/22/08, filed 6/1/05), #963,049 (7/5/10, filed 1/2/06). Beginning with the 1906 patent, he assigned them to his Vacuum Cleaner Company. Booth withdrew his application after Kenney received the long-awaited 1907 patent #847,947. Kenney’s Vacuum Cleaner Company was briefly in receivership in 1908 (New York Times, 5/16/08)



Figure 5. Kenney’s 1907 patent

and subsequently was party to several law suits.
    A 1906 display ad in Theater Magazine by the Vacuum Cleaner Company (“David T. Kenney, Pres’t”), reproduced in a history of American housework (Strasser, 79), shows an electric central vacuum cleaning system located in a home’s basement with hoses reaching into various rooms, said to be in use in the White House, the Times Building, and elsewhere. A similar ad also appeared in McClure’s Magazine and possibly elsewhere. Kenney’s Jersey Vacuum Cleaner Company, located at 129 Brunswick Street, Newark, continued offering such installations as well as “portable service,” warning “Do not allow the use of the dangerous broom!” (Mt. St. Mary Dedication Program, 1908). His patent #1,057,347 (3/25/13, filed 6/6/06) demonstrates a man in uniform apparently in the performance of such duties.
With the long waiting periods that Kenney experienced during this decade, it is perhaps understandable that he sought help from a higher source. A prominent Catholic layman, he asked the Sisters of Mercy to pray for him and then shared his success with the order. Beginning in 1905 and continuing until the end of his life, he donated land, eventually totaling over 70 acres, for a school. He was made a Papal Chamberlain in 1906 (Somerset Messenger Gazette, August 1989; Mt. St. Mary, Watchung, NJ, archives).



Figure 6. Kenney’s 1913 patent

    The years preceding World War I saw a great many patents granted in this country to other inventors for various kinds of “dust and rubbish suction machine,” “dust-suction apparatus,” “dust-collectors,” and “dust-removing apparatus” and ”pneumatic renovator.” Vacuum apparatus, vacuum cleaner for carpets, vacuum cleaning apparatus, vacuum cleaning device, vacuum cleaning implement, vacuum cleaning machine, vacuum cleaning systems, vacuum cleaning tool, vacuum dust-remover, vacuum pan, vacuum producing apparatus, vacuum-producing device, vacuum-sweeper, and similar terms fill many columns in annual indexes to patents granted during these years. Both hand-powered and electric models, and stationary and portable ones engaged inventors’ attention, but portable units for home use were moving into the lead. “Vacuum cleaners have become ordinary household implements in substitution for, or in addition to the broom and duster, and small machines are now made in a variety of forms, driven by hand, by foot, or by an electric motor attached to the lighting circuit,” the 1911 Encyclopedia Britannica concluded.
It is not known which of the many patents listed under such terms actually became consumer items. Only a fraction of all patents granted ever result in actual products. The patents granted James Murray Spangler of Canton, OH, in 1908 (#889,823, 6/2/08 and #1,151,731, 8/31/15) for combining a small electric motor with a cloth bag to contain the suctioned dust certainly did. He sold his invention to William Henry Hoover, who succeeded so wildly that in the British Isles the household chore is known as “hoovering,” not “vacuuming.”



Figure 7.    “Regina Pneumatic Cleaner”



Figures  8.     “Regina Pneumatic Cleaner” (courtesy Hanford Mills Museum, East Meredith, NY)
(patents 847,947 (1907) and 1,016,921 (1912))


    Dozens of non-electric models under several dozen different trademarks continued to appear on the scene along with electric ones, and patents for manual devices continued to be granted. Most manual cleaners required two persons. Suction was created by a handle being moved back and forth (pump-type cleaners) or bellows being compressed
or activated by floor wheels (Hoover Historical Center). Two alternating bellows were required in order to create continuous suction. A bellows cleaner operated by one person was the model shown in use by the family in the “1900 House” feature shown on PBS in 2000. Others are illustrated in Giedion, 584. But it was the plunger-type, patented by Charles Boyer of Marengo, IL, in 1911 (#1,012,800, 12/26/11) that was both light-weight and capable of operation by one person. A piston pushed down and up the same tube that ended in a nozzle created the needed suction, but only on the upward stroke or 50% of the time. The majority of surviving manual vacuums are of this type.



Figure 9. 1911 patent for plunger vacuum








Figure 10. Plunger vacuum cleaner (courtesy Anne Ruffner, Taylorsville, CA)



Attempts were made to use an operator’s feet as the power source, leaving the hands free to handle the working end. A “pneumatic dusting machine” was patented in France in 1893, “equipped with bellows mounted to the (two) operators’ feet so that a suction was created as the operators walked through the rooms being cleaned” (Facts on File Encyclopedia of Science, vol. 3, p. 1093), apparently similar to the “high-stepping cleaner” described elsewhere.


Figure 11. High-stepping cleaner


Figure 12. Foot-operated Kotten (courtesy Hoover Historical Center)

In this country, an example is the 1910 Kotten, manufactured in New Jersey, which required the operator to stand on a platform and “rock from side to side like a teeter-totter,” activating two bellows”
     In the 1914 Cyclone the bellows “worked by pressing and releasing a foot-rest at the back” (Harrison, 29). According to a Swiss source, a patent was even granted that would have the operator sit and rock in a rocking chair to the same end (der-profi.chi/hauswartung/ber-reinigung/VC/a_geschichte_VC)
    Sears, Roebuck catalogs began offering portable manual vacuum cleaners in the Fall 1909 catalog, and in the very next issue offered customers a choice between the “Quick and Easy,” a plunger type weighing 5 lbs., an American reproduction of a French model, the “Dust Killer,” a valve-and-piston pump type sold only by Sears with shipping weight of 50 lbs., or “Everybody’s Vacuum Cleaner,” featuring bellows or diaphragm action and weighing 24 lbs.


Figure 13. Rocking Chair cleaner


Figure 14. 1909 Sears catalog

An accompanying picture in the 1909 book showed a boy operating the pump while a woman vacuums a carpet. It was omitted in later issues, where mention that the “Quick and Easy” required only one person for its operation was the only hint that other models required two. Customers may have been surprised that the mail-order vacuum required the efforts of two persons. An emphatic sales pitch “What a vacuum cleaner in your home means to you” appeared in the Spring 1910 Sears catalog, reminding readers that “You need a vacuum” to save time and labor and to promote health. “Protect the health of your family” had also been an admonition of Kenney’s Jersey Vacuum Cleaner Company. Sears offered a money-back guarantee on the three models advertised.
    By 1912 Thomas’ Register of American Manufacturers listed more than 50 manufacturers under the heading “Machinery-Cleaning-Vacuum,” including the Vacuum Cleaner Company at 427 Fifth Avenue. A display ad showing a woman operating a Regina Pneumatic Cleaner (with both hands) advises that the model is available “in two styles - one operated by hand, the other by electric motor” (pp. 3265-66). The Regina Company’s addresses are shown as 236 Marbridge Building, Broadway and 34th Street, New York, and 218 Wabash Avenue, Chicago, its factory in Rahway, NJ. It was assigned patent #1,016,921 (2/6/12) by its inventor, Henry Koch of Rahway, for a “Suction Cleaning


Figure 15. Henry Koch of Rahway, NJ, assigned this patent to the Regina Company located there



Device” that employed two suction pumps separated by a cloth dust collecting bag and envisioned either manual or motorized operation
    Several companies in 1911 attempted to fight Kenney’s patents but in the end agreed to accept licenses at 2-1/2%. Eleven firms formed a Vacuum Cleaner Manufacturers Association in 1913. It and a similar attempt in 1916 failed to survive because not all Kenney licensees were members. In 1919 some 20 companies, representing manufacturers of both portable and stationary equipment, formed a trade association limited to holders of Kenney patents (FTC Report, p. 4; Hoover Historical Center).
    The year 1914 may have been the peak year for attracting entrepreneurs to the manufacture of the new invention. That year’s listing in Thomas’ takes up almost an entire page and includes at least 18 firms that offer hand-operated cleaners among those specifying the method of operation. Two years later, their number dwindled to eight. Five companies advertised water-powered vacuum cleaners in 1914, only two in 1916. The Water Power Vacuum Cleaner Company of Buffalo in December 1911 had been granted use of the “WA-PO-VAC” trademark. (#90,715). Scientific American in 1911 reported on a cleaner weighing only 22 lbs., where connection to a water faucet created the vacuum. A few years earlier the magazine had encouraged home handymen to construct a stationary system by following the instructions for a “Home-Made Vacuum Cleaner” in Scientific American (99:320, 11/7/08).
    Some 702,000 portable vacuum cleaners were sold in 1919, most undoubtedly electric. Their number increased the following year to 1,024,167 units and $35 million. An investigation by the Federal Trade Commission completed in 1924 found that four companies (not named) accounted for over half the industry’s dollar volume. The Commission, charged with conducting an inquiry into pricing and profits in the house furnishings industry, found rates of return in the vacuum cleaner industry “very much higher than the average rates of return … on house furnishings, domestic appliances …” due to it being “a comparatively new device, the market for which is far from fully exploited and was protected by patents with limited competition” (FTC Report, pp. 4-24).
    Good Housekeeping magazine took notice of manual vacuum cleaners in 1910 (50:665-66, May 1910), wondering “Do vacuum cleaners clean?” The answer was a qualified yes, but operating the pump vacuum required two persons and was hard work, the magazine reported. Two years later, the director of the Good Housekeeping Institute observed that a “hand cleaner” weighing 15 to 25 lbs. with either pump or wheel was “not for a delicate woman” and hardly preferable to a carpet sweeper. She had not tested the lighter (5 lbs.) piston type. When the magazine considered vacuum cleaners in 1917 only electric models were within its purview, and in 1921 the question originally posed in 1910 received a definitive answer, when 554 readers returned a questionnaire, all of them giving vacuum cleaners (presumably electric ones) a hearty endorsement.
    At least one home economics text as late as 1922 acknowledged the existence of “hand machines,” described as “mostly of the pump-and-bellows type. Some are combined with the carpet sweeper … “ (Allen, 149). Most texts only discussed electric models.
    Pump cleaners were manufactured in the United States until the 1920s (Strong Museum web site, Object Report 78.311; viewed in 2005;) and plunger cleaners sold in the UK until the 1930s (Hardyment).
    There is no way to calculate how many manual cleaners were sold over the years by the more than 50 companies in business at various times. Sales data at any rate only tell how many units were sold, and not to what extent they were used. Anecdotal evidence suggests that a fair number that were purchased may themselves have gathered dust. Older women who remember units in their farm homes in the 1920s and 1930s don’t recall seeing them in use.
    Booth’s name appears in the British Dictionary of National Biography as well as in biographical reference works dealing with technology. The vacuum cleaners he invented and manufactured are held in London’s Science Museum. Kenney’s name cannot be found in corresponding American reference books, the Library of Congress’ “American Memory,” or its Prints and Photographs Collection. The reason may be that motors drove Booth’s machines from the very beginning, while the manual machines that first used Kenney’s patents found their market mainly in the countryside. Kenney was a prototypical self-taught American inventor, but he was also a controversial figure.
    The largest assemblage of manual vacuum cleaners is in the hands of a private collector, Robert Kautzman, who shows models from more than a dozen different manufacturers, mainly plunger types, on his website, vachunter.com. Over a dozen manual models, including two British ones, are in the collection of the Hoover Company’s museum in the founder’s boyhood home near its Canton, OH, headquarters. A retail store in Portland, OR, keeps some 100 non-electric machines among its approximately 300 historic vacuum cleaners. The collection includes pump and bellows-type machines but is not actively maintained.
    Local historical societies are more likely to own these artifacts of early-20th-century rural America than are major museums. The Smithsonian Institution has a “Reeves Suction Sweeper” made in Milford, CT, in the collections of the National Museum of American History. It is a plunger-type as is the “Golden Rod” Vacuum Cleaner, manufactured by Hugro Manufacturing Co. of Warsaw, IN, at the Strong Museum in Rochester. The New York Historical Society’s “Pneu-Simplex Vacuum Cleaner,” made by O.S. Kendall and Son of Worcester, MA, is a pump-type in wooden housing. Its 1913 trademark registration (#90,715) stated that it had been used since 1909. Like David T. Kenney, Oliver S. Kendall began with sanitary installations such as the “Dry Closet,” a device for burning human waste patented in 1891 (#459,901) and assigned to him by its inventor.
    Kenney died in 1922, a suicide. His body was found on June 4 near Beacon, NY, after he had been missing since about May 24. He had been in ill health for some years and had recently lost his wife and a sister. As a prominent citizen, he had served on various boards (Plainfield Courier-News, 6/5/22; Somerset Messenger Gazette, August 1989). He was said to have invented a “device for throwing projectiles” during World War I. In 1920 he obtained his last patent, for a heating system designed to improve the distribution of heat from a wood-burning fireplace (#1,352,371, 9/7/20). The Vacuum Cleaner Co. last showed up in the New York City directory for 1920/1921.

________________
Adamson, Gareth. Machines at Home. London: Lutterworth Press, 1969
Allen, Edith. Mechanical Devices in the Home. Peoria, IL: Manual Arts Press, 1922).
“Vacuum Cleaners and Cleaning Tools,” pp. 147-54 
Bellis, Mary. The History of Vacuum Cleaners.
“Booth, Hubert Cecil,” Biographical Dictionary of the History of Technology. London: Routledge, 1996.
Cowan, Ruth Schwartz. More Work for Mother: The Ironies of Household Technology from the Open Hearth to the Microwave. New York: Basic Books. 1983
The Cyber-Space Vacuum Cleaner Museum
“Booth, Hubert Cecil,” Dictionary of National Biography. Oxford: Oxford University Press, 1996.
Duvall, Nell. Domestic Technology: A Chronology of Developments. Boston: G.K.Hall, 1988
Facts on File Encyclopedia of Science, Technology and Society. New York: Facts on File, 1999
Fort Qu’Appelle Museum, Saskatchewan.
Foy, Jessica H. & Thomas J. Schlereth. American Home Life, 1880-1930: A Social History of Spaces and Services. Knoxville: University of Tennessee, 1992.
Die Geschichte des Staubsaugers (1901-2001) (review of Glauser, Christoph. Einfach blitzsauber (Simply Squeaky Clean). Zurich: Orell-Fussli Verlag, 2001)
Giedion, S. Mechanization Takes Command. New York: Oxford University Press, 1948.
Good Housekeeping (various articles)
Green, Harvey. The Light of the Home: An Intimate View of the Lives of Women in Victorian America. New York: Pantheon, 1983.
Handlin, David P. The American Home: Architecture and Society, 1815-1915. Boston: Little, Brown. 1979
Hardyment, Christina. From Mangle to Microwave: The Mechanization of Household Work.Cambridge: Polity Press, 1988.
Harris, Lee. The History of Vacuum Cleaners.     
Harvard Business School.
The Hoover Company. Hoover Historical Center, 1875 East Maple Street, North Canton, OH 44720-3331
Hundert Jahre Staubsauger (review of Glauser, Christoph. Einfach blitzsauber (Simply Squeaky Clean). Zurich: Orell-Fussli
Verlag, 2001)
Indian Valley Museum, Taylorsville, CA 95983-0165.
Lifshey, Earl. The Housewares Story: A History of the American Housewares Industry. Chicago: National Housewares Manufacturers Association, 1973
McGraw-Hill Encyclopedia of Science and Technology. 9th. New York: McGraw-Hill, 2002.
Morclean Ltd., Chesterfield, UK 
New York Historical Society, 170 Central Park West, New York, NY 10024.
Plainfield (NJ) Courier-News, 6/5/22 (David Kenney obituary)
Enotes: Vacuum Cleaners
Science Museum, London.  
Scientific American (various articles)
Smiley, F.T. History of Plainfield and North Plainfield. Plainfield, NJ: The Plainfield Courier-News, 1901
Stark’s Vacuum Cleaner Sales and Service, 107 NE Grand Avenue, Portland, OR 97232. 
Strandh, Sigvard. A History of the Machine. New York: Arco, 1979
Strasser, Susan. Never Done: A History of American Housework. New York: Pantheon,1982
Strong Museum, One Manhattan Square, Rochester, NY, 14607.
Thomas’ Register of American Manufacturers (various volumes)
Transactions of the Newcomen Society, 1934-35, vol. 15
U.S. Bureau of the Census. Historical Statistics of the United States. Washington, D.C.: Government Printing Office, 1975. 2v.
“Kitchen furnishings and domestic appliances” U.S. Federal Trade Commission. Report on the House Furnishing Industry. v.3. Washington, D.C: Government Printing Office, 1925. FT 1.2:H81/3
U.S. Rural Electrification Administration. Report of the Administrator. Washington, D.C.: Government Printing Office, 1940. A68.1 
U.S. Smithsonian Institution. National Museum of American History.
Vacuum Cleaner Collectors Club
Williams, Trevor I., ed. A History of Technology. Oxford: Clarendon Press, 1978, pp. 1129-31
World of Invention. Detroit, MI: Gale, 1999.

Websites displaying photographs of manual vacuum cleaners:


Manuel Suction Vacuum Cleaners, Early 20th Century
EINFACH BLITZSAUBER
Ingenious: Seeing Things Differently
New York History
Vacuum Cleaners
CyberSpace Vacuum Cleaner Museum

Additional sources:
Bacon, Elizabeth Mickle. The Growth of Household Conveniences in the United States from 1865 to 1900. ( Ph.D. diss., Radcliffe, 1942) 1944?
Blondell, James H. Vacuum Sweepers: From Muscles to Electricity. Washington, DC. 1969 qTH7695.V2 B65 (at Smithsonian)
“A research paper presented to the faculty of George Washington University”
Cooley, M.S. Vacuum Cleaning Systems. New York, 1913
The Story of the World’s First Vacuum Cleaner. Leatherhead: BSR (Housewares) Ltd.
Vacuum Cleaner Co., New York. Catalog. 3 v. 1905 (incl. correspondence) (at Smithsonian Institution. Research Information System.

Great Lives in History - David Kenney Father of the Vacuum Cleaner Industry
Vacuum Cleaner History (Infographic)


*     Mary Robinson Sive is a retired Editor for Social Sciences at Greenwood Press (now Greenwood Publishing Group) and earlier was a librarian in school and public libraries.  Her book Lost Villages: Historic Driving Tours in the Catskills (available from Hope Farm Press, Saugerties, NY) tells the history of an upstate New York county and its communities through visits to local cemeteries.  She has contributed travel articles to a regional magazine and is the author of books and articles on topics in education and library service.

[1] The Rural Electrification Administration was created in 1935, but it was not until after the end of World War II that more than half of all farms were connected to the electric grid. As late as 1940 fewer than a third of farms had such service while over 90% of urban and rural non-farm households were connected.
080507